
焦油流量計
- 品*:JKM/凱銘儀表
- 型號:JKM-LWGY
- 測量范圍:0.04~800m3/h
- 精度等級:0.5級、1.0級
- 公稱通徑:DN4~DN200
- 適用介質:水 油 醇 純凈液體
- 工作壓力:1.6~6.3MPa
- 工作溫度:-20~+100℃
- 供電方式:24VDC 3.6V鋰電池
- 訂貨號:UCO220798DJE
焦油流量計產品概述
LWGY系列渦輪流量計基于力矩平衡原理,屬于速度式流量儀表。傳感器具有結構簡單、輕巧、精度高、重復性好、反應靈敏,安裝維護使用方便等特點,廣泛用于石油、化工、冶金、供水、造紙等行業,是流量計量和節能的理想儀表。
渦輪流量計與顯示儀表配套使用,適用于測量封閉管道中與不銹鋼1Cr18Ni9Ti、2Cr13及剛玉Al2O3、硬質合金不起腐蝕作用,且無纖維、顆粒等雜質的液體。若與具有特殊功能的顯示儀表配套,還可以進行定量控制、超量報警等。選用本產品的防爆型式(ExmIIT6),可在有爆炸危險的環境中使用。
適用于在工作溫度下粘度小于5×10-6m2/s的介質,對于粘度大于5×10-6m2/s的液體,要對傳感器進行實液標定后使用。
如用戶需用特殊形式的渦輪流量計,可協商訂貨,需防爆型傳感器時,在訂貨中加以說明。
焦油流量計產品特點
1、無可動部件,長期穩定,結構簡單便于安裝和維護;
2、高精度,一般可達±1%R、±0.5%R,高精度型可達±0.2%R;
3、重復性好,短期重復性可達0.05%~0.2%
4、輸出脈沖頻率信號,適用總量計量及與計算機連接,無零點漂移,抗干擾能力強;
5、可獲得很高的頻率信號(3~4kHz),信號分辨力強;
6、范圍度款,中大口徑可達1:20,小口徑為1:10;
7、結構緊湊輕巧,安裝維護方便,流通能力大;
8、適用高壓測量,儀表表體上不必開孔,易制成高壓型儀表;
9、專用型傳感器類型多,可根據用戶特殊需要設計為各類專用型傳感器,例如低溫型、雙向型、井下型、混砂專用型等;
10、可制成插入型,適用于大口徑測量,壓力損失小,價格低,可不斷流取出,安裝維護方便。
焦油流量計的基本參數
| 執行標準 | 渦輪流量傳感器(JB/T9246-1999) |
| 儀表口徑(mm)及連接方式 | 4、6、10、15、20、25、32、40、50、65、80采用螺紋連接 |
| 精度等級 | ±1%R、±0.5%R、±0.2%R(需特制) |
| 量程比 | 1:10;1:15;1:20 |
| 傳感器材質 | 304不銹鋼、316(L)不銹鋼等 |
| 使用條件 |
介質溫度:-20℃~+120℃ 環境溫度:-20℃~+60℃ 相對濕度:5%~90% 大氣壓力:86Kpa~106Kpa |
| 信號輸出功能 | 脈沖信號、4~20mA信號 |
| 通訊輸出功能 | RS485通訊、HART協議等 |
| 工作電源 | 外電源:+24VDC±15%,紋波≤±5%,適用于4-20mA輸出、脈沖輸出、RS485等 內電源:1組3.0V10AH鋰電池,電池電壓在2.0V~3.0V時均可正常工作。 |
| 信號線接口 | 基本型:豪斯曼接頭或自帶三芯線纜;防爆型:內螺紋M20*1.5 |
| 防爆等級 | ExiaIICT4或ExdIIBT6 |
| 防護等級 | IP65或更高(可訂制) |
焦油流量計的流量范圍表
焦油流量計工作原理
流體流經傳感器殼體,由于葉輪的葉片與流向有一定的角度,流體的沖力使葉片具有轉動力矩,克服摩擦力矩和流體阻力之后葉片旋轉,在力矩平衡后轉速穩定,在一定的條件下,轉速與流速成正比,由于葉片有導磁性,它處于信號檢測器(由永久磁鋼和線圈組成)的磁場中,旋轉的葉片切割磁力線,周期性的改變著線圈的磁通量,從而使線圈兩端感應出電脈沖信號,此信號經過放大器的放大整形,形成有一定幅度的連續的矩形脈沖波,可遠傳至顯示儀表,顯示出流體的瞬時流量或總量。在一定的流量范圍內,脈沖頻率f與流經傳感器的流體的瞬時流量Q成正比,流量方程為:
式中:
f--脈沖頻率[Hz]
k--傳感器的儀表系數[1/m3],由校驗單給出。
Q--流體的瞬時流量(工作狀態下)[m3/h]
3600--秒時換算系數
每臺傳感器的儀表系數由制造廠填寫在檢定**中,k值設入配套的顯示儀表中,便可顯示出瞬時流量和累積總量。
焦油流量計選型
| 型號 | 說明 | |||||||
| LWGY- | □ | /□ | /□ | /□ | /□ | /□ | /□ | |
| 公稱通徑 | 4 | 4mm | ||||||
| 6 | 6mm | |||||||
| 10 | 10mm | |||||||
| 15 | 15mm | |||||||
| 20 | 20mm | |||||||
| 25 | 25mm | |||||||
| 32 | 32mm | |||||||
| 40 | 40mm | |||||||
| 50 | 50mm | |||||||
| 65 | 65mm | |||||||
| 80 | 80mm | |||||||
| 100 | 100mm | |||||||
| 125 | 125mm | |||||||
| 150 | 150mm | |||||||
| 200 | 200mm | |||||||
| 類型 | N | 傳感器型:+12V或24V供電,輸出三線制脈沖信號 | ||||||
| A | 變送器型:+24V供電,輸出二線制4~20mA | |||||||
| B | 智能型:鋰電池供電,現場顯示無信號輸出 | |||||||
| C | 智能型:+24V供電,現場顯示并輸出二線制4~20mA | |||||||
| C1 | 智能型:+24V供電,現場顯示并帶有RS485通訊協議 | |||||||
| C2 | 智能型:+24V供電,現場顯示并帶有HART通訊協議 | |||||||
| 精度等級 | 05 | 0.5級 | ||||||
| 10 | 1.0級 | |||||||
| 02 | 0.2級(協商訂貨,生產周期較長) | |||||||
| 渦輪類型 | W | 擴展測量范圍 | ||||||
| S | 標準測量范圍 | |||||||
| 材 質 | S | 304不銹鋼 | ||||||
| L | 316(L)不銹鋼 | |||||||
| 防 爆 | N | 非防爆型 | ||||||
| E | 防爆型,ExdⅡBT6 | |||||||
| 壓力等級 | N | 常規(參照表2) | ||||||
| H(x) | 高壓(參照表2) | |||||||
焦油流量計的安裝
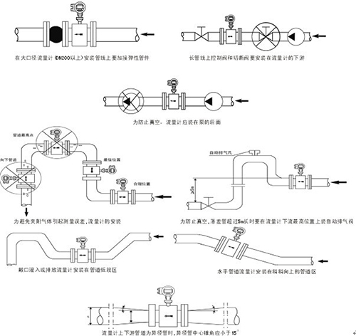
為了確保渦輪流量計的測量準確,必須正確地選擇安裝位置和方法
1、對直管段的要求:流量計必須水平安裝在管道上(管道傾斜在5以內),安裝時流量計軸線應與管道軸線同心,流向要一致。 流量計上游管道長度應有不小于2D的等徑直管段,如果安裝場所充許建議上游直管段為20D、下游為5D。
2、對配管的要求:流量計安裝點的上下游配管的內徑與流量計內徑相同。
3、對旁通管的要求:為了保證流量計檢修時不影響介質的正常使用,在流量計的前后管道上應安裝切斷閥門(截止閥),同時應設置旁通管道。流量控制閥要安裝在流量計的下游,使用時上游所裝的截止閥必須全開,避免上游部分的流體產生不穩流現象。
4、對外部環境的要求:流量計*好安裝在室內,必須要安裝在室外時,一定要采用防曬、防雨.防雷措施,以免影響使用壽命。
5、對介質中含有雜質的要求:為了保證流量計的使用壽命,應在流量計的直管段前安裝過濾器。
6、安裝場所:流量計應安裝在便于維修,無強電磁干擾與熱輻射的場所。
7、對安裝焊接的要求:用戶另配一對標準法蘭焊在前后管道上。不允許帶流量計焊接! 安裝流量計前應嚴格清除管道中焊渣等臟物,*好用等徑的管道(或旁通管)代替流量計進行吹掃管道。以確保在使用過程中流量計不受損壞。 安裝流量計時,法蘭間的密封墊片不能凹入管道內。
8、接地的要求:流量計應可靠接地,不能與強電系統地線共用。
9、對于防爆型產品的要求:為了儀表安全正常使用,應復核防爆型流量計的使用環境是否與用戶防爆要求規定相符,且安裝使用過程中,應嚴格遵守**防爆型產品使用要求,用戶不得自行更改防爆系統的連接方式,不得隨意打開儀表。 選型在規定的流量范圍內,防止超速運行,以保證獲得理想準確度和保證正常使用壽命。 安裝流量計前應清理管道內雜物:碎片、焊渣、石塊、粉塵等推薦在上游安裝5微米篩孔的過濾器用于阻擋液滴和沙粒。 流量計投運時應緩慢地先開啟前閥門,后開啟后閥門,防止瞬間氣流沖擊而損害渦輪。 加潤滑油應按告示*操作,加油的次數依氣質潔凈程度而定,通常每年2-3次。由于試壓、吹掃管道或排氣造成渦輪超速運轉,以及渦輪在反向流中運轉都會可能使流量計損壞。 流量計運行時不允許隨意打開前.后蓋,更動內部有關參數,否則將影響流量計的正常運行。 小心安裝墊片,確保沒有突出物進入管道,以防止干擾正常的流量測量。 流量計在標定時要在取壓口上采集壓力。
使用時應該注意哪些方面:
1、每一路的使用
1)安裝就位后,應確保所有的切屑和殘渣均已清除,系統已經吹洗、試壓、氣流進入并升壓至流量計入口閥.
2)打開上游旁通小球閥
3)緩慢打開上游旁通小截止閥,氣體緩慢充入直到下游電動強制密封球閥前。
注意:壓力劇烈震蕩或過快的高速加壓會損壞。為了保護液體流量計,加到上的壓力升高不能超過35kPa/s。如現場不能測量壓力變化,則監視流量不能超限。
4)關閉旁通小球閥和截止閥。
5)轉動手輪打開入口強制密封閥。
6)緩慢打開下游電動強制密封球閥(至少持續1分鐘),*好使用電動執行機構上的手動開關,一定要小心,不要使超速運轉.
7)按1.2-1.6 步驟操作,整個系統充壓完畢,天然氣開始被計量。
2、在線比對氣體(工作路和主路進行比對)
1)確保主路的入口和出口閥門是關閉的。
2)按照"1 每一路的使用"中的步驟1.2,1.3,1.4,給主路充壓。
3)關閉工作路出口電動強制密封球閥,緩慢打開比對管路的強制密封球閥,緩慢打開主路出口電動強制密封球閥(*好是同時做三項工作)。
4)氣體依次通過工作路和主路。兩臺渦輪流量計可以互相比對,來檢查是否有大的偏差。
5)當比對結束后,關閉比對管路上和主路上的兩個強制密封球閥,打開工作管路的出口球閥(*好是同時做三項工作)。
6)這時工作路重新投入工作。
3、用移動標定車在線標定氣體XY-LWGY渦輪流量計
1)確保兩個標定口之間的電動強制密封球閥處于關閉的狀態。
2)打開標定口法蘭盲板上的小球閥,確保法蘭盲板內部無壓力。然后取下法蘭盲板。
3)將移動標定車和標定口連接好。
4)按照"1 每一路的使用"中的步驟1.2,1.3,1.4,給主路充壓。
5)關閉工作路出口電動強制密封球閥,緩慢打開比對管路的強制密封球閥,緩慢打開主路上兩個標定強制密封球閥(*好是同時做這四項工作)。
6)這時,氣體依次流過橇座內的兩臺氣體渦輪流量計和移動標定車。 3.7 完成在線標定后,關閉標定口的兩個球閥,緩慢打開比對管路的強制密封球閥,緩慢打開工作路出口電動強制密封球閥(*好是同時做這四項工作)。
7)將法蘭盲板裝回,不要忘了關閉法蘭盲板上的小球閥。 3.9 這時工作路重新投入工作。
上一篇:棕油流量計|容積式橢圓齒輪
下一篇:船用油流量計|指針齒輪容積式


