一體式污泥流量計接線圖
點擊次數:2719 發布時間:2021-09-25 02:50:04
一體式污泥流量計的接線是如何接的?
一體式污泥流量計是一款常用的工業流量測量儀表,它的結構比較簡單,安裝使用方便,測量精度高,穩定性強,應用范圍比較廣泛,所以是非常深受廣大用戶的青睞。有些小伙伴對一體式污泥流量計的使用可能不是很熟悉,剛開始可能會對如何準確的接線有些不太清楚。一般產品使用說明書上會有對如何接線的詳細介紹,使用時嚴格按照使用要求與指導來做就可以了。
產品中會附帶使用說明書或其它安裝使用指導的資料,可以有效地幫助用戶快速準確的熟悉產品和使用產品。一般一體式污泥流量計實物接線圖中會清晰的標注每個接線端子是如何接的,一體式污泥流量計的接線端子一般會含有電源線(220VAC/24VDC)、信號輸出(4-20mA/RS485/脈沖/HART)、流量上下限報警輸出或帶有特殊定制驅動繼電器輸出等。實際接線根據要求來定。

1.1 安裝尺寸圖

1.2 鍵盤定義與顯示


1.3 接線端子示意圖及端子定義


1.3.1 方型轉換器接線端子功能定義,見圖 3-3a

1.3.2 方型轉換器與傳感器信號接線的處理與標示,見圖 3.4

注:
轉換器側:
紅、綠芯線分別接到方形轉換器的 SIG1 和 SIG2 端子;
金屬網屏蔽層接到方形轉換器的 SIG GND 端子
變送器側:
紅、綠芯線分別接到變送器的 SIG1 和 SIG2 端子;
金屬網屏蔽層接到變送器的 SIG GND 端子。
對于流量信號電纜,只要能夠正確接線,應盡量少剝屏蔽層。
1.3.3 圓型轉換器接線端子功能定義,見圖 3-3b

1.4 電氣接線
為保證出線套的密封可靠,接線時應采用圓截面電纜。
1.4.1 接線要求
所有接線應在切斷供電電源后進行。
1.在確認電纜型號后,按規定進行接線,接線應正確、牢靠。
2.按正確程序將電纜穿進出線套:*先松開出線套壓緊螺母,拿掉堵板。依次給電纜套上壓緊螺母、橡膠圈,再將電纜穿出線套。接線完成后理順電纜,并旋緊壓緊螺母使橡膠圈緊壓電纜。
3.電纜剝線時,注意不要損傷應予保留的絕緣層。對流量信號芯線,只要可以接線,就盡量少剝屏蔽層。對 STT3200 電纜,兩同軸電纜的內層屏蔽泄漏線絞合后,應套上絕緣套管,然后再接至 SGND 端。對黑色半導體層應從根部切除,以免影響其他接線。
1.4.2 電纜
傳感器與轉換器之間的電纜長度與流體電導率和現場電氣干擾等因素有關,電纜長度可用以下公式估算:
L≤σ ×4
式中: L-電纜長度(m)
σ -流體電導率(μS/㎝)
但電纜一般不得超過 100 m。為保證測量精度和防止干擾,要求轉換器盡量靠近傳感器安裝。
1.勵磁電流線
勵磁電流線可采用二芯絕緣橡皮軟電纜線,建議型號為 YHZ-2×1 ㎜ 2或 RVVP2×32/0.2。
勵磁電流線的長度與信號電纜長度一致。當使用 STT3200 專用電纜時,勵磁電纜與信號電纜合并為一根。
2.流量信號線
分體型轉換器與傳感器配套使用時,對被測流體電導率大于 50μS/㎝的情況,流量信號傳輸電纜可以使用型號為 RVVP2×32/0.2 的聚氯乙烯護套金屬網屏蔽信號電纜。使用長度應不大于 100 m。信號線與傳感器配套出廠。信號線的處理可按圖 3-4 進行。
本轉換器提供有等電位激勵屏蔽信號輸出電壓,以降低電纜傳輸的分布電容對流量信號測量的影響。當被測電導率小于 50μS/㎝或長距離傳輸時,可使用具有等電位屏蔽的雙芯雙重屏蔽信號電纜。例如 STT3200 專用電纜或 BTS 型三重屏蔽信號電纜。
1.4.3 電源線
1.電源線可采用二芯絕緣橡皮軟電纜線,建議型號為 YHZ-2×1mm2。
2.對于交流供電轉換器,相線應接“L1”端子上!
3.對于直流供電轉換器,應注意到電線電阻與電源電壓有關,一般在 24V 供電電纜電阻不應大于 10Ω 。電源線的電阻值由導線的長度和截面決定。
4.轉換器殼體必須接地!接線端子 PE 應采用不小于 1.6mm2接地銅線接大地。接地電阻值應不大于 10Ω 。
1.4.4 電流輸出線
使用電流輸出線(4-20mA)時,應注意到導線的電阻與負載電阻之和不得大于 750Ω 。電流輸出接線見圖 3.5。

1.4.5 頻率(脈沖)、上下限報警、流向標示等輸出均為集電極開路的電平輸出信號。
它們需要外接供電電源和負載,見圖 3.6b、3.6d。使用感性負載時,應如圖 3.6a 所示加續流二極管。


頻率輸出(脈沖輸出)推薦使用外供電源!若使用內部+12V 電源,分體轉換器 DIP 開關 SW1的兩個開關均應撥在“ON”位置。(參閱圖 3.3a;3.6b)
1.4.6 外部控制接點輸入(IN+、IN-)由開關或繼電器觸點 ON/OFF 控制,見圖 3.7。
注意,接點間電阻應小于 5Ω 。

1.5 數字通訊接口及接線
RS-232C 接口:按 IEEE RS-232C 接口標準設計,標配為非電氣隔離方式,可選光電隔離型接口。可支持 MODBUS 協議 RTU 格式。
RS-485 接口:按 IEEE RS-485 接口標準設計,標配為非電氣隔離方式,可選光電隔離型接口。可支持 MODBUS 協議 RTU 格式和 PROFIBUS-DP 通訊方式。
1.5.1 RS232 接線,如下圖所示:

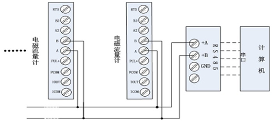
1.5.2 RS485 接線
3.5.2.1 非電氣隔離方式接線

一體轉換器接線(非電氣隔離方式)

分體轉換器接線(非電氣隔離方式)
1.5.2.2 帶光電隔離方式接線(包括 MODBUS 和 PROFIBUS-DP 通訊)

一體轉換器接線(光電隔離方式)

分體轉換器接線(光電隔離方式)
1.5.3 HART 通訊手操器與一體式污泥流量計的連接
手操器與一體式污泥流量計連接如下圖所示:

說明:
1)手操器并聯在一體式污泥流量計電流輸出的負載兩端沒有極性;
2)回路中的電阻應大于 200Ω ,小于 500Ω ;
3)手操器不能串入電流回路。
注意:一體式污泥流量計用手操器設置參數,通訊地址為非 0 值,波特率為 14400。若儀表通訊方式、地址及波特率設置不正確,手操器將不能設置參數!
上一篇:污泥流量計如何正確選型
下一篇:污泥流量計流速范圍


